详细介绍
蒸汽冷凝水换热器,需要在冷凝水出水端加装一个小水箱以便存储部分水量以作缓冲,在小水箱底部连接水泵,将冷凝水抽入换热器盘管中,同时,将原先直接抽入加湿器蓄水箱的冷水抽入换热器中,充分换热后再接入原先的水泵中抽入加湿器的蓄水箱中,相当于在前道提前预热一下冷水。
某项目管壳式换热器参数(采用波纹换热管)
|
型号 |
BEM273-0.6-5-1.75/25-L |
|
公称直径 |
273mm |
|
设计压力 |
0.6MPa |
|
换热面积 |
5 m2 |
|
换热管规格 |
φ25×0.8×1750 |
|
换热器外形尺寸(长×宽×高) |
573×375×2120mm |
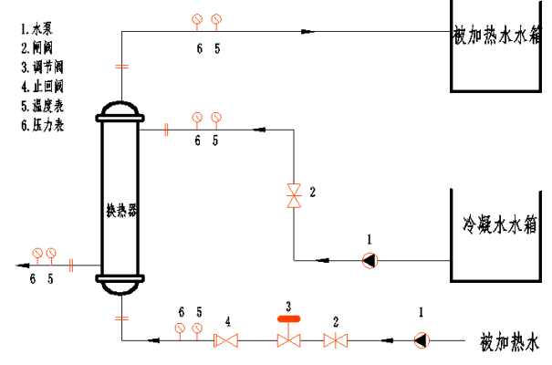
备注:此设备为耳式支座,高度尺寸仅为设备高度,流程示意图如下:

波纹管换热器产品简介:
一.适用范围
本产品适用于适用各种化工、电力、石油、医药、轻工、机械和暖通等领域 。

二.性能特点:
高效波纹管换热器综合了管壳式换热器和板式换热器的优点 ,其换热效率提高了 2 倍以上,是现有 换热器的更新换代产品。
1 . 传热系数高
▲ 传热系数高:管内外均呈波纹状,流体在低流速下即受到强烈扰动达到湍流状态,提高管内外传 热系数。水—水换热可达2500—3500kcal/m2·h ·℃,汽—水换热可达3500—6000kcal/m2·h· ℃。
▲ 壁厚热阻小:采用薄壁金属材料,传热距离短,温度梯度大,壁厚热阻小。
▲ 污垢热阻小:波纹管表面光洁度好,流体扰动强,污垢不易积结,污垢热阻小。
2 .适应性强
▲ 耐温差、压差性能好:换热管胀波后,提高了承压能力,适用于大温差、大压差工况。
▲ 自补偿性能好:波纹管全圆弧结构可以微量变形,补偿温差和压差应力,避免这种应力对换热 器造成的破坏。
3 .防垢、除垢
▲ 波纹管表面的光洁度好,流体扰动强,水垢不易生成。
▲ 波纹管表面的曲率变化和轴向伸缩,以及金属管壁与垢的线膨胀系数差使少量硬垢脱落除去。
4 .应力布均匀、耐腐蚀
▲ 采用耐腐蚀材料,软模胀形工艺使得应力布均匀,无应力集中、晶间缺陷,耐应力腐蚀性能强。
5 .性价比高
▲ 换热管采用薄壁材料,传热效率高,设备体积小,重量轻,工程总投资小,产品性价比高,经济效益显著。
6.单台处理大
▲ 波纹管换热器单台处理量大,热负荷最高可达 150×106kcal/h。





